Nuovi Prodotti
RIDUTTORE D'ANGOLO LF-205J 1:1,92 (30HP-22kW)
Codice articolo:
11401
OEM:
9990000019540
Aliquota fiscale
22 %
Prezzo senza IVA:
156,56 EUR
Prezzo IVA inclusa:
191,00 EUR
Ref:
69
Restituzione o cambio:
14 giorni
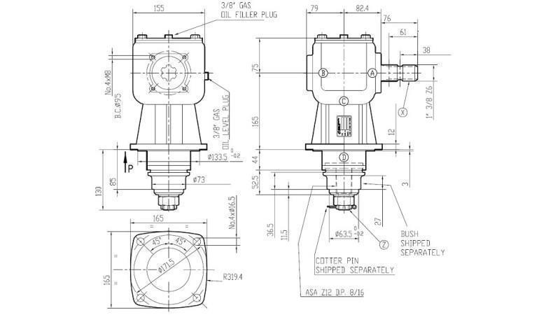
rotazione del riduttore:
destra
codice del produttore:
9.205.805.00
Carico:
30 HP (22.0 kW)
albero di uscita:
flangia per saldare il disco
tipo di riduttore:
LF-205J (trasmissione angolare)
lubrificante:
olio SAE 90 0,8 litri devono essere aggiunti al riduttore.
albero di ingresso:
cardano (1”3/8 – 6 denti)


.jpg)
.jpg)
.jpg)


