Nuovi Prodotti
MOTORE IDRAULICO MR 50
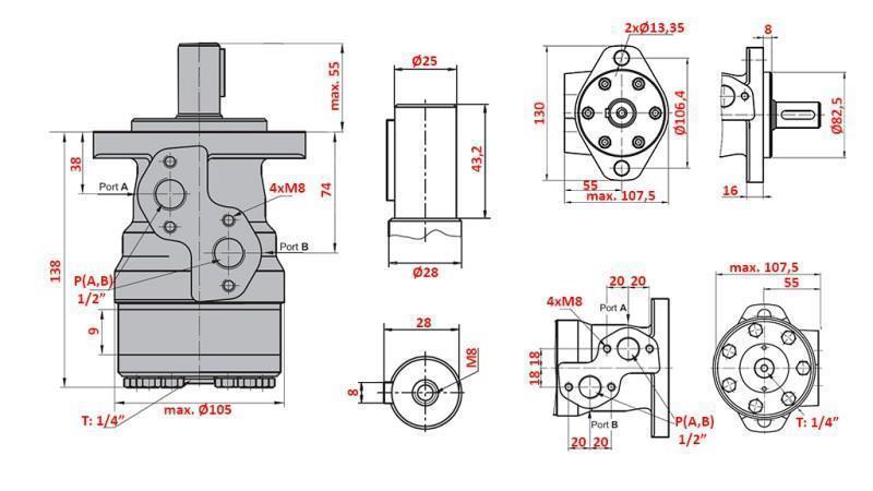
| Dati tecnici | |
| Fornitore: | Bulgaria |
| Reso o cambio: | 14 giorni |
| Garanzia: | 6 mesi |
| Diametro dell’albero: | 25 mm |
| Flusso dell’olio: | flusso costante 40 L/min, intermittente 50 L/min |
| Filettatura di collegamento: | 1/2" |
| Intervallo di temperatura: | da -40 °C a 140 °C |
| Coppia: | coppia costante 10 daNm, intermittente 13 daNm, max. 17 daNm |
| Numero di giri: | giri costanti 775 rpm, intermittente 970 rpm |
| Perdita di pressione: | pressione costante 140 bar, intermittente 175 bar, max. 225 bar |
| Pressione di ingresso: | pressione costante 175 bar, intermittente 200 bar, max. 225 bar |
| Potenza: | potenza costante 7 kW, intermittente 8,5 kW |
| cm³/giro: | 51,5 |
| Peso: | 6,9 kg |
DESCRIZIONE – MOTORI IDRAULICI MR
I motori idraulici di tipo MR sono compatti, robusti e affidabili con design orbitale. Grazie alla loro semplice costruzione e all’elevata efficienza, sono adatti a un’ampia gamma di applicazioni.
Si caratterizzano per:
- alta cilindrata a basse velocità,
- funzionamento fluido e silenzioso,
- lunga durata grazie a materiali e guarnizioni di alta qualità,
- possibilità di funzionamento in entrambe le direzioni di rotazione,
- basso consumo di olio in rapporto alla potenza erogata.
Vengono utilizzati principalmente in macchine agricole, forestali e da costruzione, nonché nell’industria, dove è richiesta una conversione affidabile ed efficiente dell’energia idraulica in movimento meccanico.

| L | L1 | |
| (mm) | (mm) | |
| MR 50 | 135,5 | 6,67 |
| MR 80 | 139,5 | 10,67 |
| MR 100 | 142 | 13,33 |
| MR 125 | 145,5 | 16,67 |
| MR 160 | 150 | 21,33 |
| MR 200 | 155,5 | 26,67 |
| MR 250 | 162 | 33,33 |
| MR 315 | 171,5 | 42,67 |
| MR 400 | 182 | 53,33 |












