Nieuwe artikelen

    HYDRAULISCHE KLEP 3XP120
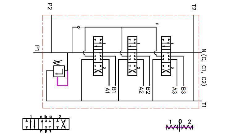
    HYDRAULISCHE KLEP 3xP120
    bedradingsschema 3xP120
    HYDRAULISCHE KLEP 3XP120
    HYDRAULISCHE KLEP 3xP120
    bedradingsschema 3xP120

    HYDRAULISCHE KLEP 3XP120

    Code:
    10798
    OEM:
    9990000007172
    BTW-tarief
    22 %
    Prijs exclusief BTW:
    258,20 EUR
    Prijs inclusief BTW:
    315,00 EUR
    Ref:
    2
    VOEG TOE AAN WINKELMAND

    Algemene beschrijving:

    Handmatige of mechanische hydraulische klep Р120 is ontworpen voor de distributie en controle van de werkstroom tussen de hydraulische pomp en verbruikers (cilinders, hydraulische motoren…).
    Hydraulische kleppen worden voor verschillende doeleinden gebruikt in de landbouw, industrie, bouw, enz. voor het regelen van:

    • enkele-werkende cilinders
    • dubbele-werkende cilinders
    • hydraulische motoren
    • drijvende functies (voor ploeg)
    • joysticks (omhoog-omlaag, links-rechts)

    Ze zijn samengesteld in een blok van 1 tot 4 hendels.

     

    Werking:

    Alle hydraulische kleppen zijn uitgerust met een veiligheidsklep. In de neutrale positie (hendel in het midden) circuleert olie door de klep. Wanneer de hendel naar de ene of de andere kant wordt verschoven, veroorzaakt de hydraulische klep de beweging van de cilinder of de rotatie van de hydraulische motor in de ene of de andere richting. Na het loslaten van de hendel keert deze automatisch terug naar de neutrale positie, stopt de hydraulische motor of cilinder in de huidige positie, en circuleert de olie weer door de klep. Het is mogelijk om een zogenaamde 'gesloten centrum' element te gebruiken, dat de klep zo verandert dat in de neutrale positie, olie niet door de klep circuleert of dat een dergelijke klep niet meer stroomt. Bij het gebruik of aansluiten van andere kleppen is het noodzakelijk om het 'carry over' element te gebruiken, dat de toevoer van olie voor andere kleppen mogelijk maakt.

    Voor kleppen met spindels voor drijvende functie, staat het de cilinder vrije doorstroming van olie toe, wat betekent dat de cilinder vrij beweegt (of de sneeuwploeg zich aanpast aan het terrein).

    Kleppen met spindels voor enkele-werkende cilinders zijn bedoeld voor enkele-werkende cilinders.

     

    Constructie:

    Р120 is een monoblock distributieklep. Het is gemaakt van gietijzer EN-GJL300. De spindels zijn gemaakt van koolstofstaal en zijn hard verchroomd.

     

    Aansluitingen:

    Aansluitingen: De spindel is vastgeschroefd met vier M10 schroeven

    Leverancier:
    Bulgarije
    maximale druk aansluiting "T":
    50 bar
    Retour of ruil:
    14 dagen
    Productgewicht:
    24,10 kg
    nominale stroom:
    120 liter/min
    Garantie:
    6 maanden
    bedrijfstemperatuur:
    -40 tot +60°C
    maximale druk aansluiting "P":
    250 bar
    bedrijfstemperatuur van olie:
    -15 tot +80°C
    fabrieksinstelling veiligheidsklep:
    180 bar
    instelbereik van de veiligheidsklep:
    50-230 bar
    maximale druk aansluiting "A" en "B":
    300 bar

    +386 (0) 41 892 655   info@rositeh.si

     

    ROSI Teh d.o.o. Alles voor landbouw- en industriële hydraulica Poljčane, BTW-nummer: SI 42791375,  IBAN: SI56 0443 0000 3103 435

     

    Cookies voor analytische doeleinden
    Deze worden gebruikt voor het registreren van analytics over de websitebezoeken en leveren ons gegevens waarmee we een betere gebruikerservaring kunnen bieden.
    Cookies voor sociale netwerken
    Cookies die nodig zijn voor de plug-ins voor het delen van inhoud van de website op sociale netwerken.
    Cookies voor communicatie op de website
    Cookies maken het mogelijk om te bekijken, contact op te nemen en te communiceren via de communicatiewidget op de website.
    Cookies voor advertenties
    Ze zijn bedoeld voor gerichte advertenties op basis van eerdere gebruikersactiviteiten op andere websites.
    Wat zijn cookies?
    Door de website te bezoeken en te gebruiken, gaat u akkoord met het gebruik en de registratie van cookies.Oké Meer over cookies