Nieuwe artikelen
PMRV-130 TANDWIELKAST VOOR ELEKTRISCHE MOTOR MS100 (4KW) VERHOUDING 40:1
Aanvullende beschrijving:
| elektrische motor | tandwielkast | uitgangskoppel M2 [Nm] | veiligheidsfactor - SF |
|---|---|---|---|
| 4kW (MS100) | RV-130 | 829 | 1.3 |
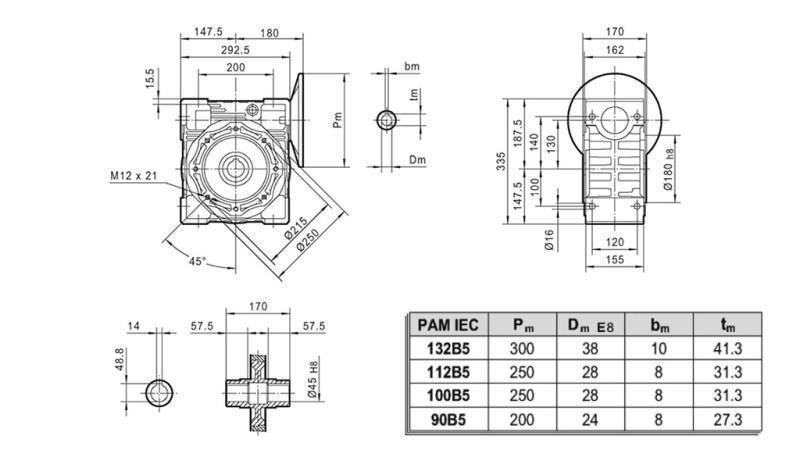
Beschrijving:
PMRV tandwielkasten worden gebruikt in combinatie met elektrische motoren.
De tandwielkast vermindert de omwentelingen van de elektrische motor naar de waarde waarmee we willen werken. Tandwielkasten hebben verschillende verhoudingen 7.5:1 - 10:1 - 20:1 - 40:1.
Bij het installeren van de tandwielkast moet altijd worden gezorgd dat:
- de gegevens op het typeplaatje overeenkomen met de gegevens van het bestelde item
- de behuizing en assen schoon en onbeschadigd zijn
- het oppervlak waarop de tandwielkast is bevestigd vlak en sterk genoeg is
- de tandwielkast en de as van de elektrische motor goed passen
- indien er een mogelijkheid van trillingen of vastlopen is, moet er een koppelbegrenzer worden geïnstalleerd
- draaiende delen zijn bedekt met plastic afdekkappen
- het apparaat dat buitenshuis wordt gebruikt, moet adequaat weersbestendig zijn
- de bedrijfsomstandigheden geen corrosie veroorzaken (tenzij vooraf afgesproken en de tandwielkast en elektrische motor goed zijn voorbereid)
- tandwielen, as tandwielen, in- en uitgaande assen goed zijn vastgezet om radiale of axiale belastingen te vermijden die de maximaal toelaatbare limiet niet overschrijden
- alle koppelingen zijn gecoat met anti-corrosiemateriaal om oxidatie bij contact te voorkomen
- alle bevestigingsschroeven moeten stevig zijn aangedraaid
Alle berekeningen zijn gebaseerd op elektrische motoren met 1400 omwentelingen. Als u een elektrische motor gebruikt met een andere snelheid dan 1400 omwentelingen per minuut, deel dan de invoeromwentelingen door de tandwielkastverhouding om de uitvoeromwentelingen te krijgen.
Meer technische gegevens zijn te vinden in de bijlage 'AFMETINGEN - DATASHEET'.







